24-hour service hotline 180-1268-8278
Tel:18012688278
E-mail:amy.cao@blkspring.com
Address:No. 5F, building 4, Xunyuan Zhichuang Valley, No. 604, Fengtang Avenue, Fuhai street, Bao\\\\'an District, Shenzhen
|
|
Natural frequency: Natural frequency
Axial 7HZ, Radial 3-5HZ Vertical: 7Hz Radial: 3~5Hz
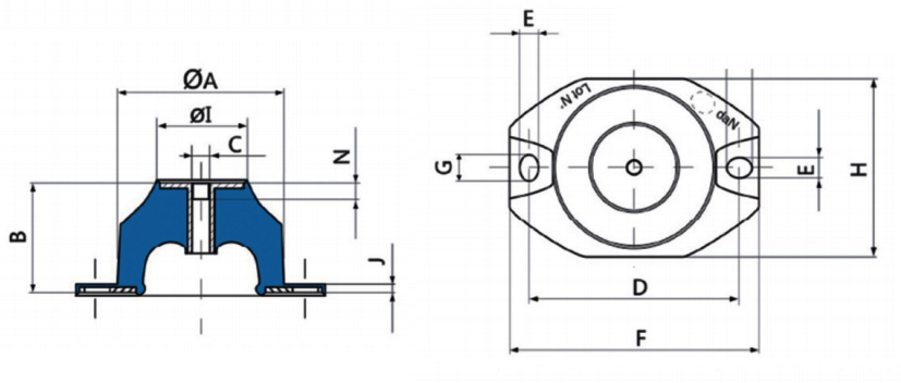
Type | Rubber Hardness | Best Loading kg |
ΦA(chǔ) |
B※ |
C |
D |
E |
F |
G |
H |
ΦI |
J |
N |
BKP1004010M | 45 | 150 | 100 | 40 | M10 | 124 | 10.2 | 152 | 16.2 | 104 | 68 | 3 | 10 |
BKP1004010W | 55 | 200 | 100 | 40 | M10 | 124 | 10.2 | 152 | 16.2 | 104 | 68 | 3 | 10 |
BKP1004010H | 65 | 250 | 100 | 40 | M10 | 124 | 10.2 | 152 | 16.2 | 104 | 68 | 3 | 10 |